装飾見切り材[床用]
施工事例・タイル面状
SM-2700T/SUS
| 屋内壁 | 屋内床 (靴ばき) | 居室床 (靴ばき以外) | 浴室壁 | 浴室床 | 屋外壁 | 屋外床・ 玄関床 |
|---|---|---|---|---|---|---|
規格表
| 形状名 | 品番 | 目地共寸法 (mm) | 実寸法 (mm) | 厚さ (mm) | あたり枚数 | 入数・重量 | 標準価格 | 形状図 |
|---|---|---|---|---|---|---|---|---|
| 床見切りT(ステンレス) | SM-2700T/SUS | ― | 2700 | 0.4本/m | (10.0)本/ケース・(7.0)kg | 26,900円/本 [26,900円/本] | ![]() | |
| 床見切りT(真ちゅう) | SM-2700T/B | ― | 2700 | 0.4本/m | (10.0)本/ケース・(7.7)kg | 7,000円/本 [7,000円/本] | ![]() | |
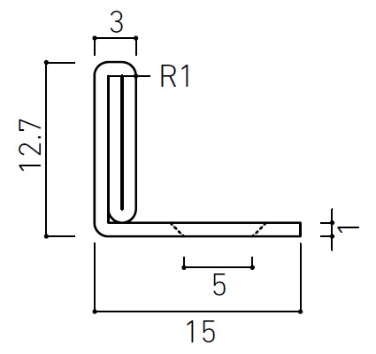
| 床見切りL(ステンレス) | SM-2700L/SUS | ― | 2700×12.7L | 0.4本/m | (10.0)本/ケース・(11.5)kg | 26,900円/本 [26,900円/本] | ![]() | |
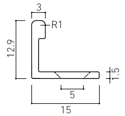
| 床見切りL(真ちゅう) | SM-2700L/B | ― | 2700×12.9L | 0.4本/m | (10.0)本/ケース・(11.5)kg | 12,500円/本 [12,500円/本] | ![]() |
- ●( )内の取引単位はバラです。
- ※2025年4月現在の情報です。
材質・加飾
材質=SUS:ステンレス、B:真ちゅう
生産区分
標準品
即納対応:50本以下
品切れ時対応納期:納期確認
原産地
[台湾](床見切りT(SUS)のみ)
- ●全品番標準品です。
- ●輸入品につき、ご発注の際には、在庫と納期をご確認ください。尚、予告なしに仕様の変更や生産中止となる場合があります。
サンプル情報
| 見本 | カット | ミ-SM-2700L-B 壁見切りL |
|---|---|---|
| 見本 | カット | ミ-SM-2700L-SUS 壁見切りL |
| 見本 | カット | ミ-SM-2700T-B 床見切りT |
| 見本 | カット | ミ-SM-2700T-SUS 床見切りT |
見本・サンプルのご請求、お問合わせは、お近くの(株)LIXIL支社・営業所までお願いいたします。
商品の留意点
- ●品番のSUSはステンレス、Bは真ちゅうを示しています。
- ●真ちゅうは素地の風合いを生かした仕上げのため、真ちゅう特有の緑青(黒ズミ)や細かなキズが生じる場合があります。またステンレスの表面仕上げは、床見切りTがヘアーライン、床見切りLが2B(研磨なし)です。
- ●床見切りLは12mmフローリングの厚さに合わせた形状の見切り材です。
- ●トイレや排水口等に使用する強酸・強アルカリ性の洗剤や塩素系漂白剤、カビ除去剤等はステップ用見切り材へは使用しないでください。
- ●金属製見切り材のため、床暖房では熱くなりますので使用しないでください。
- ●床見切りLには留め付け用の木ビスが同梱されています。
施工上のご注意
- ●切断には材質・厚さ・用途に合った金ノコを使用の上、表面より切断してください(金属用の高速カッターでは表面が焼けて変色する場合があります)。
- [床見切りT]
- ●取り合い部目地に接着剤(イナメントE-73などのエポキシ系接着剤)を充填して、足部を埋め込んでください。
- [床見切りL]
- ●合板下地専用です。下敷き部に303mm間隔でビス用の皿穴を空けていますので、取付けの際は付属のビスを使用し、ビス頭が飛び出ないように取り付けてください。
- ●タイルとフローリングの間に床見切りLを設置する場合は、フローリングとの間に隙間ができないように設置して、タイルとの間はシーリングで調整してください。
商品詳細説明
床見切りT

後から被せる簡単施工で、すっきり納められます。
床見切りL

細くて目立ちにくい仕上がりです。12mmフローリングとの取り合い部にお使いください。
装飾見切り材(床用・壁用)一覧表

ご注意
注意 ●床見切りLは、タイルと高さを合わせて施工してください。タイルの切断部が露出したり、見切り材とタイルに段差が生じるとケガをする場合があります。
●見切り材を切断した場合は、切断面のバリなどで傷つかないよう面を仕上げてご使用ください。また、サンプル見本も同様ですのでお取扱いにはご注意ください。
この商品に関連するコンテンツ
大浴場・プールサイド床適性について
- ● 浴室床が◎のタイルには、別途、次のマークと商品の使用が可能か不適かを○・×で表示しています。
- ● 浴室や大浴場・プールサイド床では石鹸かす、皮脂汚れ等が付着してすべる原因となることがあります。適切な清掃を必要としますので、メンテナンスマニュアルをお読みの上、清掃してください。
大浴場床マーク
大浴場床部のように、すべると転倒につながりやすい比較的広い面積の水濡れ床部に使用する商品には、素足でのより高い耐すべり性能を必要とします。
を付記した商品は、すべり事故防止のため大浴場床部には使用しないでください。大浴場床部に使用する場合は
を付記した商品をご使用ください。素足でのより高い耐すべり性能があります。
プールサイド床マーク
プールサイド床部のように、素足で走ったりすることが危惧される広い面積の水濡れ床部に使用する商品には、素足でのさらに高い耐すべり性能を必要とします。
を付記した商品は、すべり事故防止のためプールサイド床部には使用しないでください。プールサイド床部に使用する場合は
を付記した商品をご使用ください。素足でのさらに高い耐すべり性能があります。
耐凍害性適性マークについて次のマークを表示している場合は、耐凍害性が適性となります。

耐凍害性適性マーク
耐凍害性能を有し、寒冷地でも使用できます。
〈凍害について〉
タイル素地の空隙に水が入り、この水が凍結すると約1割の体積膨張が生じ、その結果損傷が起こる現象。耐凍害性適性マークのないタイルは、一般に吸水性が大きいため、寒冷地の内装であっても、水がかりするような箇所(浴室壁面など)では、凍害が発生することがあります。ただし、寒冷地でも水がかりのない箇所(キッチンバック・トイレ壁面・給湯室壁面など)には使用可能です。
特化商品表示・取得マークについて

-
グリーン購入法適合商品マーク
グリーン購入法で定められた特定調達品目の判断の基準を満たす商品です。

-
調湿建材マーク
(一社)日本建材・住宅設備産業協会が定めた、「調湿建材判定基準」を満たす商品です。

-
ホルムアルデヒド低減建材マーク
(一財)日本建築センターが定めた、室内環境の変化に妨害されずホルムアルデヒド低減性能を発揮する建材であるという基準を満たす商品です。

-
SIAA抗菌(ISO)マーク
国際規格ISO22196が定めた評価結果に基づき、抗菌製品技術協議会ガイドラインで品質管理・情報公開された商品です。

-
SIAA抗菌マーク
抗菌製品技術協議会ガイドラインで品質管理・情報公開された商品です。

-
F☆☆☆☆マーク
建築基準法(シックハウス対策)が定めたホルムアルデヒド放散速度に関する基準の最高等級区分を満たす商品です。

-
4VOC基準適合マーク
「建材からのVOC放散速度基準化研究会」が定めた、4VOC(トルエン・キシレン・エチルベンゼン・スチレン)の放散速度基準を満たす商品です。

-
省資源マーク
自社が定めた、製造法や原材料見直し・軽量化などの原材料使用量削減基準を満たす商品です。

-
省施工マーク
自社が定めた、施工法見直しや施工材料削減などの省施工基準を満たす商品です。

-
施工廃材減マーク
自社が定めた、施工法見直しや包装材改良などの施工時の廃材削減基準を満たす商品です。

-
低VOCマーク
自社が定めた、ホルムアルデヒド等の有害なVOC(揮発性有機化学物質)の放散による濃度基準を満たす商品です。

-
防汚マーク
自社が定めた、洗浄水や洗剤使用量を節約し、きれいな状態で長く使用できるなどの防汚基準を満たす商品です。

-
ゼロエネマーク
自社が定めた、エネルギーゼロで快適性や利便性を高めているという、機能・素材のゼロエネ基準を満たす商品です。

-
Gマーク(グッドデザイン賞受賞マーク)
(公財)日本デザイン振興会により優れたデザインと評価・選定された商品に表示しています。

-
Q-CATマーク
全国タイル工業組合が制定する外装タイルと有機系接着剤の組合せ品質認定制度(Q‐CAT)に適合した商品に表示しています。タイルの個別認定には対応する接着剤の種類が記載されています。

-
下水汚泥焼却灰活用マーク
リサイクル原料として下水汚泥焼却灰を活用した商品に表示しています。

-
ナノ親水マーク
当社独自の住宅外壁防汚基準をクリアした商品であることを表しています。

-
マイクロガード対応可マーク
特別注文品にて「マイクロガード加工」が可能な商品に表示しています。価格・納期については支社・営業所までお問い合わせください。

-
はるかべ工法対応マーク
外装壁モザイクタイルではるかべ工法が可能な商品に表示しています。

-
モルタル張り対応マーク
外装壁タイル[はるかべ工法用・モルタル張り共用]でモルタル張りが可能な商品に表示しています。

-
リタイル適合マーク
専用工法「タイルラップ工法」によって外壁リフォームに使用できるタイルに表示しています。

-
マイクロガードフロアマーク
独自のタイル表面制御により、「防汚性・清掃性」と「すべり安全性」をあわせ持つ床商品に表示しています。

-
床暖房お薦め商品マーク
床暖房仕上げに適した床タイル・石材商品(ガス会社推奨)に表示しています。

-
ペット床お薦め商品マーク
ペットがすべりにくい床タイル商品に表示しています。

-
色幅ありマーク
意匠上の狙いとして素材・加飾・焼きむら・混合などによる色幅をもつ商品に表示しています。

-
還元焼成マーク
還元焼成の商品に表示しています。特殊な焼成のため、大きな色幅や、タイル表面と内側の色が異なる場合があります。

-
色混合マーク
濃・中・淡等の色合いを混合した商品に表示しています。

-
ファサード使用可マーク
エントランス周辺等の使用高さが比較的低い屋外の壁、あるいは小面積の屋外の壁に使用できるタイルには、床商品ページの用途区分に、上のファサードマークを表示しています。

-
屋外壁使用可マーク
床タイル商品で屋外壁への施工が可能なタイルには、床商品ページの用途区分に、上の屋外壁使用可マークを表示しています。







